400-887-2229

采购招标

Procurement Tender

2025年6月10日豪美精密摇臂钻床采购招标通知

2025-05-27    发布者:豪美新材

       首先感谢贵单位对广东豪美精密制造有限公司的大力支持!为了体现公平竞争原则,我司对以下项目采取公开招标采购。现将本次招标的有关事项说明如下:

       一、项目简介

            (一)项目名称:摇臂钻床采购

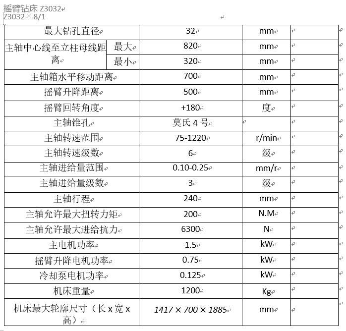
            (二)技术要求:见附件1技术参数

       二、招标时间:2025年6月10日(星期二)下午2:00

       三、招标地点:广东豪美精密制造有限公司,办公楼1号会议室。 

       四、参加招标供应商及人员资格:凡参加本次招标供应商必须具有一般纳税人和生产运营资质。参加招标供应商人员必须是贵公司法人代表或持有法人代表的授权书。

       五、《标书》的要求:标书分《商务标》与《技术标》,请分开密封盖公章,请贵司携带以下资料参加招标会,如无法亲自出席招标会,请在招标前一天送到我司。

            (一)《商务标》内容和要求

              1、法定代表证明书、法定代表人授权书、身份证复印件各1份;

              2、供应商23年、24年业绩表,成本分析表及报价单;

              3、付款方式:现场沟通

              4、《商务标》一式2份。主要内容应该包括价格明细表、付款方式、质量保证期、交货期、含税含运费价格、售后服务条款、联系方式。

           (二)《技术标》内容和要求

             1、详细的技术说明

             2、设备主要技术参数

             3、供货范围

             4、主要材料供应单位、品牌

             5、技术服务与人员培训

             6、工程售后服务

           《技术标》一式2份。

       六、诚意金:为保证招标的公平、公正、公开,各个来参与竞标的供应商必须现场交付/元现金,作为其参与竞标过程中同意并遵守招标规定的诚意金,如有违反招标规定,则不予退还,中标供应商诚意金将在签定合同后7个工作日内退还,未中标供应商诚意金在招标结束后7个工作日内退还。

       七、中标公布方式:投标结束后由我司财务部、采购部、设备技术部、审计部有关人员同时在场的情况下开标,并由各部门对供应商综合能力进行评价,完毕由采购部汇总后发出中标通知书。 

       八、联系方式: 

              地址:广东省清远市源潭镇银英公路12号

              商务联系人:龙敏健 

              电 话:13413517677

              技术联系人:罗工


投标廉洁告知书

       致各投标单位

       感谢贵司参与豪美新材及其下属企业的业务招标。为了有效遏制招标工作出现不公平竞争或违规违纪问题的发生,确保招标工作的公平、公正、公开,特就豪美新材及下属企业(包含豪美总部、豪美、豪美精密、贝克洛、科建、禾安等,以下简称招标方)对投标单位的廉洁事项,告知如下:

       1、投标单位须自觉遵守国家法律法规及招标方有关廉洁制度。

       2、投标单位须保证在投标过程中提供的所有资料文件及复印件真实、准确。

       3、投标单位不得以不正当手段妨碍、排挤其它投标单位,且不得与其他投标单位串标、围标。

       4、投标单位须按照招标方招标文件规定的方式进行投标,不得隐瞒本单位投标资质的真实情况,保证自身投标资质符合规定,保证不以其他人名义投标或者以其他方式弄虚作假,骗取中标。

       5、投标单位不得以任何方式向招标方的有关部门、个人或其亲友赠送任何形式的礼品、礼金;不得向招标方的有关部门、个人或其亲友支付好处费、介绍费、茶水费、辛苦费、居间费等非商务合理性费用;不得邀请招标方的有关部门、个人或其亲友参加宴请、消费等活动;不得以任何形式报销招标方的有关部门、个人或其亲友的各种票据及费用;不得进行可能影响招标公平、公正的其它活动。

       6、若发现招标方在招标过程中存在收受、索要财物等不廉洁行为,应保存相关证据并可向招标方审计监察部举报。

       7、投标单位保证在招投标及商务合作期间,积极配合投标方反腐败、反商业贿赂、反舞弊监管:(1)投标单位承诺中标后向自身业务相关人员告知并严格遵守投标方的廉洁要求,如发现违反招标方廉洁要求的行为,应及时通知招标方审计监察部。(2)投标单位承诺中标后,在合作期间,招标方有权向投标单位调取双方合作相关的财务数据、账册、报表、报告等,投标单位应在招标方要求的时限内提供。同时,招标方有权根据自主判断,自行或委托第三方审计机构对投标单位所涉合作相关的财务记录进行调查或审计,包括查阅双方合作相关财务账册、原始凭证等,并允许对相关业务人员进行访谈。投标单位应全力配合招标方或其委托的第三方审计机构的要求,不以任何理由拒绝配合,亦不隐瞒、删改财务数据或提供虚假信息。如无明显、确凿证据证明招标方或其委托的第三方审计机构的意见明显错误,投标单位视为认可招标方或其委托的第三方审计机构的意见。

       8、投标单位在投标环节违反上述要求,即视为投标单位重大违约,并同意接受投标方扣除全部投标保证金或履约保证金的处罚。投标单位在中标后履约环节违反上述要求,亦视为重大违约,每违反一次,投标单位承诺按照招标方要求的时限向招标方支付违约金,违约金标准为双方签订合同总价的25%。此外,招标方有权采取以下一项或多项措施:(1)招标方可停止履行义务,并要求投标单位立即采取有效措施消除不利影响,补偿招标方的损失或可能产生的损失。(2)招标方有权解除尚未履行完毕的协议,并要求投标单位承担违约责任;投标单位如主动举报并积极配合招标方调查或审计的,招标方承诺豁免投标单位相应违约责任,同时给予投标单位奖励或业务合作机会。

       9、廉洁举报渠道

      image.png

      10、投标单位参与投标即视为同意遵守投标方告知的以上要求。


广东豪美精密制造有限公司 

2025年5月27日

附件1:技术要求

1.png

2.png



链接 9链接 10